131-5598-2630

130-9702-6902

滑环方案咨询热线:
产品中心
PRODUCT CENTER
首页 >> 产品中心 >> 光纤滑环 >> HTJ系列单通道光纤滑环
详细说明

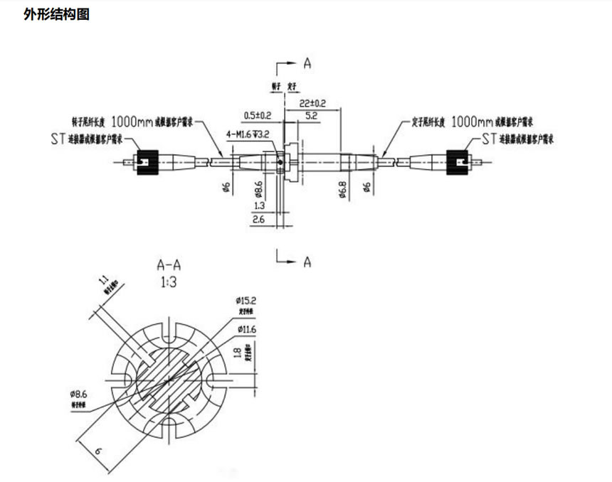
HTJ系列单通道光纤滑环

HTJ 系列光纤滑环包含一个光纤通道,可以选择单模或多模,并具有极宽的波长适用范围,HTJ 是一款高度集成的光纤滑环,直径仅为 6.8mm,是体积最小、重量最轻的光纤滑环。精巧的设计,优良的驻波比和低衰减损失,旋转过程中的稳定传输以及在整个频率范围内的单独通道间的高串扰衰减。

收藏
商品说明

image.png


产品参数


image.png


image.png


关于汉唐

新闻中心

产品中心

技术支持

131-5598-2630/130-9702-6902

hantang@ht-rollring.com

江西省九江市九江经济技术开发区 长城路121号恒盛科技园13号楼

官方公众号