131-5598-2630

130-9702-6902

滑环方案咨询热线:
产品中心
PRODUCT CENTER
首页 >> 产品中心 >> 光纤滑环 >> HTJ07系列多通道光纤滑环
详细说明

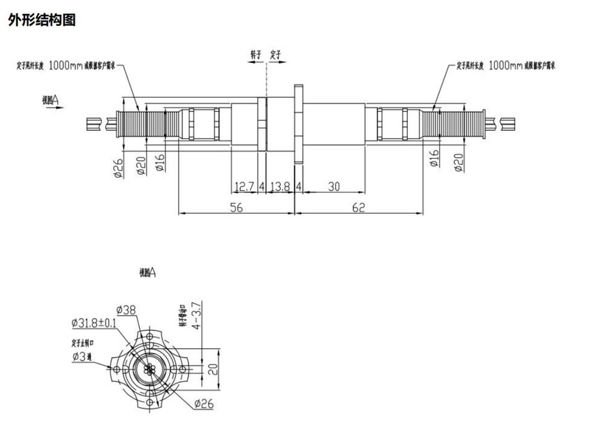
HTJ07系列多通道光纤滑环

HTJ07系列多通道光纤滑环是一款通用多通道产品,包含通道最多可达 07 个,2~7 通道数可任意选择,均支持单模、多模或两者混合使用,无论单模或者多模,串扰均优于 60dB。该产品是标准产品之一,支持快速交货。

收藏
商品说明


image.png



产品参数


image.png

image.png


关于汉唐

新闻中心

产品中心

技术支持

131-5598-2630/130-9702-6902

hantang@ht-rollring.com

江西省九江市九江经济技术开发区 长城路121号恒盛科技园13号楼

官方公众号